23+ Wiring A Smoke Detector Diagram
How To Check And Replace Air Conditioning Fuses Dengarden

Smoke Detector Wiring 101 Doityourself Com
How Do I Wire A 2w B Alarm Grid
Two Wire Smoke Detector Wiring Diagram Youtube
Zero Voltage Switching Resonant Power Conversion Pdf
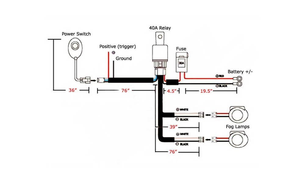
9005 9006 Relay Harness Wire Kit Led On Off Switch For Fog Lights Hid Ijdmtoy Com
Troubleshooting Smoke Alarm Wiring At The Detectors
Smoke Detector Wiring Diagram Electrical Wires Cable Fire Alarm System Sensor Smoke Angle Text Png Pngegg
Xpert Optical Smoke Detector Demco
Pin On Diagram Sample
Amazon Com Launch Herramienta De Escaneo Bidireccional Inalambrico X431 Crp919ebt Elite Canfd Y Doip Fca Autoauth V A G Guiado Codificacion Ecu Servicio 31 Escaner De Diagnostico De Sistema Completo 2024 Automotriz
Biased Spin State Energetics Of Fe Ii Molecular Complexes Within Density Functional Theory And The Linear Response Hubbard U Correction Journal Of Chemical Theory And Computation
A Look Back Deadly Short Circuit Kills Two Police Officers In 1900
How Do I Wire And Use A Cosmo 2w Combination Smoke Co Detector Alarm Grid
Firex 484 Photoelectric Smoke Alarm Detector 120v Ac Direct Wire Upgraded To P12040 Ka F
Adding An Ac Unit To A 240v Water Heater Circuit R Electrical
18 32 Hr Fire Alarm Apprentice Jobs In Pennsylvania
Pin On Electrical Wiring